网站首页
开云(中国)
企业介绍
组织架构
企业荣誉
领导关怀
新闻动态
开云app登录入口新闻
政策要闻
党建工作
组织架构
党建阵地
党群活动
工青妇
荣誉鼓励
信息公开
水质检测报告
环境信息公开
职位招聘
通知公告
联系我们
电话地址
意见箱
总经理信箱
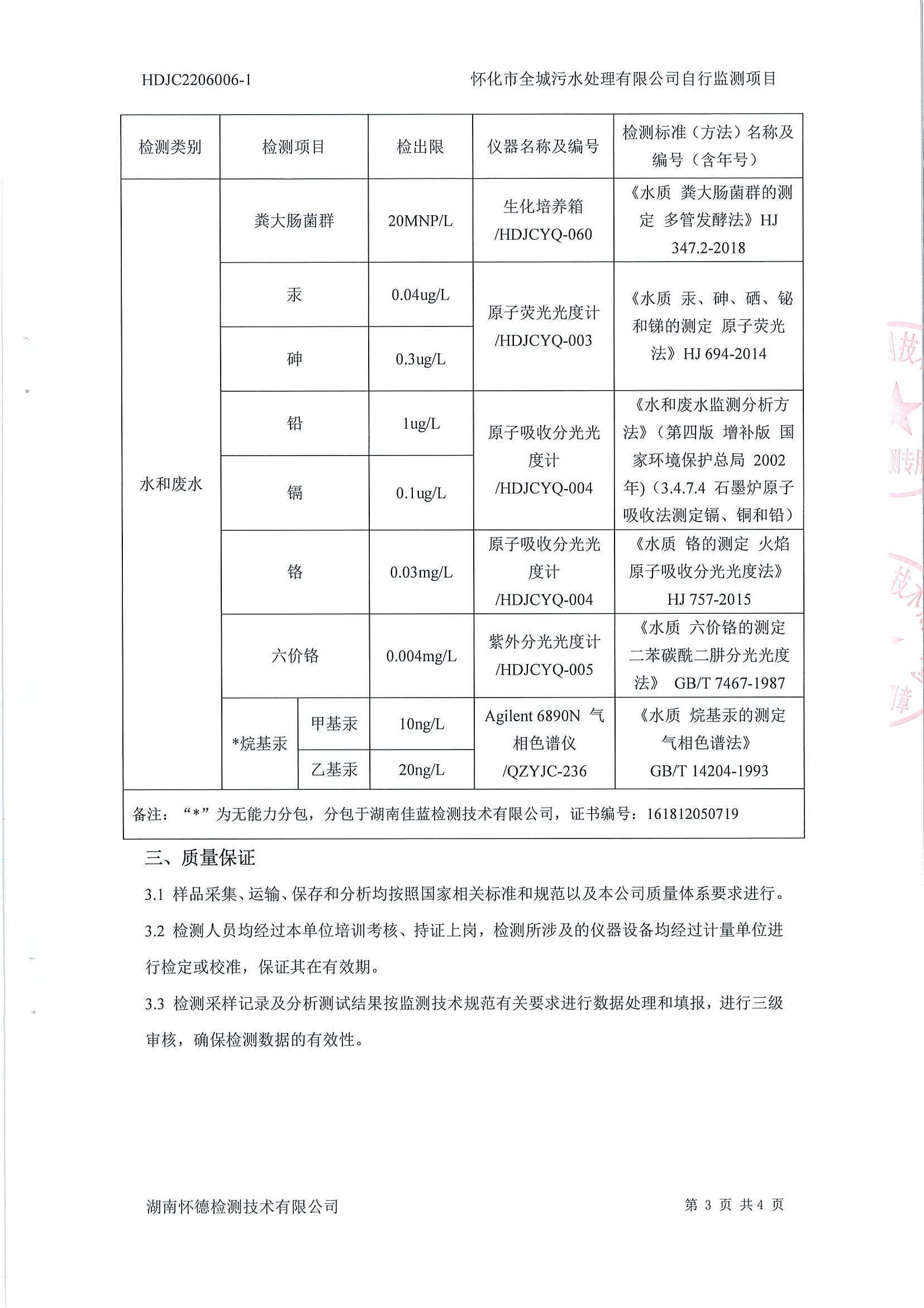
怀德检测 2022年6月 污水检测报告
2022-07-04 11:33:57
上一篇:
湖南怀德检测技术有限开云app登录入口 2024年12月 污水出水检测报告
下一篇:
怀德检测 2022年5月 污水检测报告
开云官方app下载站
|
星空·(中国)官方网站
|
九游网页版登录入口
|
韦德bv
|
九游官方网页版
|
开云app登录入口
|
米兰官方端网站登录入口
|
开云官方app下载站
|
米兰注册
|